Control pumps have a fixed place in hydraulics. Your advantage: They only provide as much flow and/or power as is required for the specified movement task. But which pump control is suitable for which application? Mechanical-hydraulic or electro-hydraulic pump control? What are the differences?

The advantages and disadvantages of the two pump control types can well be explained using the flow control of a deep drawing press as example. The hydraulic drive of the cylinder is based on a variable displacement pump working in an open circuit. The displacement is 250 cm3, the nominal pressure 350 bar. The mechanical input signal is hydraulically amplified. In this connection, the pump has three typical control tasks: Flow control (N and/or S function), power control (LR function) and pressure control (G function).
01) Mechanical-hydraulic pump control: simple, however limited
The mechanical input signal from the hand lever is hydraulically amplified. In this case, the flow is controlled by means of load-sensing. The pump swivel angle is adjusted independently of the load occurring at the actuator by means of a load sensing valve which is set to a Δp of 20 bar. So the velocity at the actuator remains constant.
The disadvantage: The throttling of the flow at the pump output goes along with a power loss which is completely converted into heat and increases the cooling demand. One advantage, however, is the easy set-up which does not even require a pilot oil pump as the adjustment energy is taken from the high pressure. Due to the continuous Δp of 20 bar, flow control is also possible at low pressures.
Power controllers increase the complexity
There is a need for an additional pilot oil pump if the deep drawing press – for example for safety-related reasons – requires a flow of zero in case of a low counter pressure (maximum of 4 bar). More components are necessary for realizing the power controller.
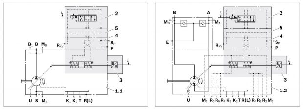
02) Electro-hydraulic pump control
Data recording and comparison by control electronics Compared to that, an electro-hydraulic system with only one fast high-response valve at the pump and amending control electronics is the more elegant solution. The regulated variables (path, force and velocity) correspond to the analog hydraulic variables flow and pressure.
The principle: A swivel angle sensor on the actuating piston and a separate and/or attached pressure transducer record the actual flow and pressure values. After comparison to the specified command values, the control performs all flow, pressure and torque limitation tasks and forwards a command value to the valve. Figure 2 shows different pump control systems which are autarkic subsystems and connected to the machine control via corresponding
interfaces.
Today, there is a whole range of motion controls and NC controls for hydraulic actuators available. It comprises single-axis controllers without control
cabinets where the electronic controls are integrated completely in the valve, up to multiple axis controllers with control cabinets for more complex tasks. In addition, intelligent pump controllers are improving the system performance. These control systems communicate via established field buses or Ethernet protocols with superior systems, and with these open standards it is possible to completely integrate them into Industry 4.0 architectures – this way, intelligent, networkable hydraulics are completely Industry 4.0 ready.


03) Decision-making aid: Selection of the pump control type
It first of all depends on the physical variable to be controlled whether the mechanical-hydraulic or the electro-hydraulic variant is finally the better choice for the relevant application. Flow and pressure can be controlled with both types. For limiting the torque, however, the mechanical-hydraulic method needs an additional power controller changing the flow with constant pressure and simultaneously increasing the complexity of the hydraulics. Here you can find the selction guide
Master-slave pump combinations
A master-slave pump combination interesting for many applications is only feasible with an electrohydraulic control; however, it allows for combined pump systems with special properties. If, for example, by an early swiveling out of the pump, the master pump provides a certain flow from a certain point in time, it can be positioned at the maximum swivel angle already upon start-up of the motor and deliver into the system, which again increases the velocity and precision of the application.
How dynamic and accurate should the pump be?
The required dynamics and precision are more decision-making criteria. If, for example, particularly high dynamics with up to 80 ms are required, a primarily controlled pump would be suitable. With regard to precision, electro-hydraulic control systems with a repetition accuracy of <= 0.2 % for the pressure and a linearity deviation for the swivel angle of <= 1 % show convincing results. Compared to that, mechanical-hydraulic controls achieve about +/- 1.5% repetition accuracy for the pressure and a linearity tolerance of 2.5 to 7 % of Vgmax. All values are valid for a constant operating temperature of 50°.
Conclusion
The strength of the mechanical-hydraulic pump control is its simplicity. It is, however, only convincing in correspondingly clear applications. With increasing requirements with regard to function, precision and energy efficiency, there is no alternative to electro-hydraulic control systems which allow for pressure and flow control with high control quality according to the demand. As digital control electronics with integrated Multi-Ethernet interface can moreover be integrated into most different structures, it moreover also masters the prerequisites for the increasingly demanded networking in the sense of Industry 4.0.
Info graphics: Decision-making aid for the selection of the pump control type.
Learn more about an electro-hydraulic pump control: www.boschrexroth.com/hpc

CMA/Flodyne/Hydradyne is an authorized Bosch Rexroth distributor in Illinois, Wisconsin, Iowa and Northern Indiana.
In addition to distribution, we design and fabricate complete engineered systems, including hydraulic power units, electrical control panels, pneumatic panels & aluminum framing. Our advanced components and system solutions are found in a wide variety of industrial applications such as wind energy, solar energy, process control and more.

